Relevant Documents
(192KB)
Background
Power lines, which are used to supply electricity to many types of electronic devices, are often affected by systems that introduce harmonic distortion into the power grid.
Harmonic distortion is a repetitive distortion, in which every cycle of the waveform is distorted identically. A harmonic is a sinusoidal component of a periodic wave having a frequency that is an integral multiple of the fundamental frequency. For example, the 2nd harmonic of a 50 Hz system is 2*50, or 100 Hz. It can be shown that any complex waveform can be broken up into harmonic components.
Harmonic distortion propagates over adjacent power lines, and may affect the functionality of neighboring electronic systems. The degree to which equipment is affected by this distortion depends on the equipment’s method of operation. Harmonic distortion can cause faulty operation, overheating, or failure in many kinds of equipment.
Watt-hour meters provide an excellent example of electronic equipment whose accuracy may be affected by harmonic distortion. Inaccuracies in the reading of watt-hour meters can result in the incorrect calculation of power use and in consumer billing errors.
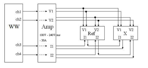
Requirement
In order to test the performance of a watt-hour meter under conditions of harmonic distortion, the conditions are simulated, the meter is tested, and the results are compared with those generated by a reference instrument. The two devices (“Ref” and “X”) are set up as shown Figure 1 below.

Figure 1: Test set up
The simulated waveforms require a 4-channel waveform generator with a memory large enough to support high phase resolution, and good vertical resolution to enhance the purity of higher harmonic waves.

Figure 2: Sine Waveforms with 3rd and 5th Harmonics
Solution
Tabor Electronics’ Wonder Wave family of Arbitrary Waveform Generators (AWGs) serves as an excellent platform for testing the effects of harmonic distortion on electronic equipment, supporting 4 channels of synchronous output and 16-bit vertical resolution.
Wonder Wave’s advanced memory management capabilities support highly complex applications, offering storage of 10,000 repeatable waveform segments, with up to 4 million memory points.
Tabor’s ArbConnection control and waveform-editing software includes Wave Composer – a powerful, graphically-based tool that is perfectly suited for harmonic distortion simulations.
For More Information
To learn more about Tabor’s solutions or to schedule a demo, please contact your local Tabor representative or email your request to [email protected]